MARS-900-120GTC GMAX2509 Camera 10GigE Vision
MARS-900-120GTC
- GMAX2509
- 4192x2160
- 120fps
- 2/3 inch
- Global shutter
- CMOS
- Color
CÁMARA DE VISIÓN 10GIGE GMAX2509
La serie Mars 10GigE es una cámara industrial de visión 10GigE, con una interfaz 10GigE. Esta es la mejor interfaz para imágenes de alta resolución y/o alta velocidad donde la longitud del cable es superior a 5 metros. 10GigE es 10 veces más rápido que una cámara ethernet GigE normal y 2 veces más rápido que USB3.
Este modelo de cámara 10 GigE es interesante para usted cuando su aplicación cumple con las siguientes condiciones:
- Una cámara industrial de alta velocidad o alta resolución
- Longitud máxima de cable de 100 metros utilizando cable cat6a o superior
- Instalación de cables económica y sencilla
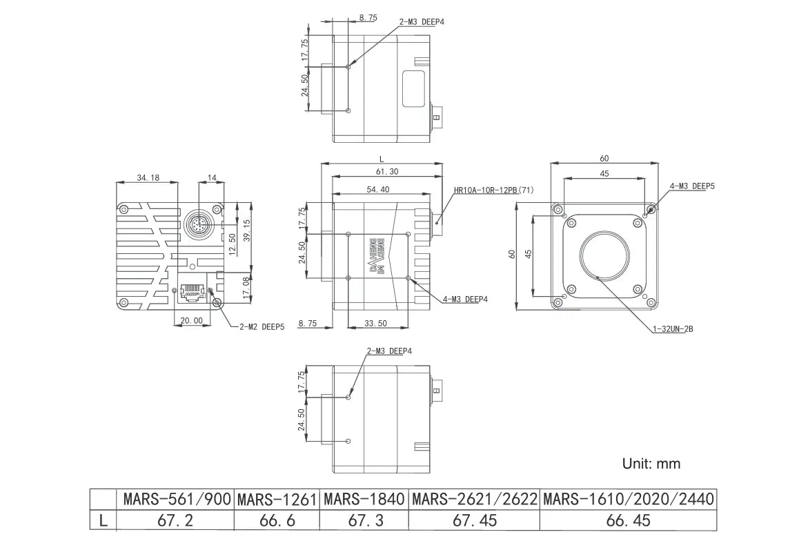
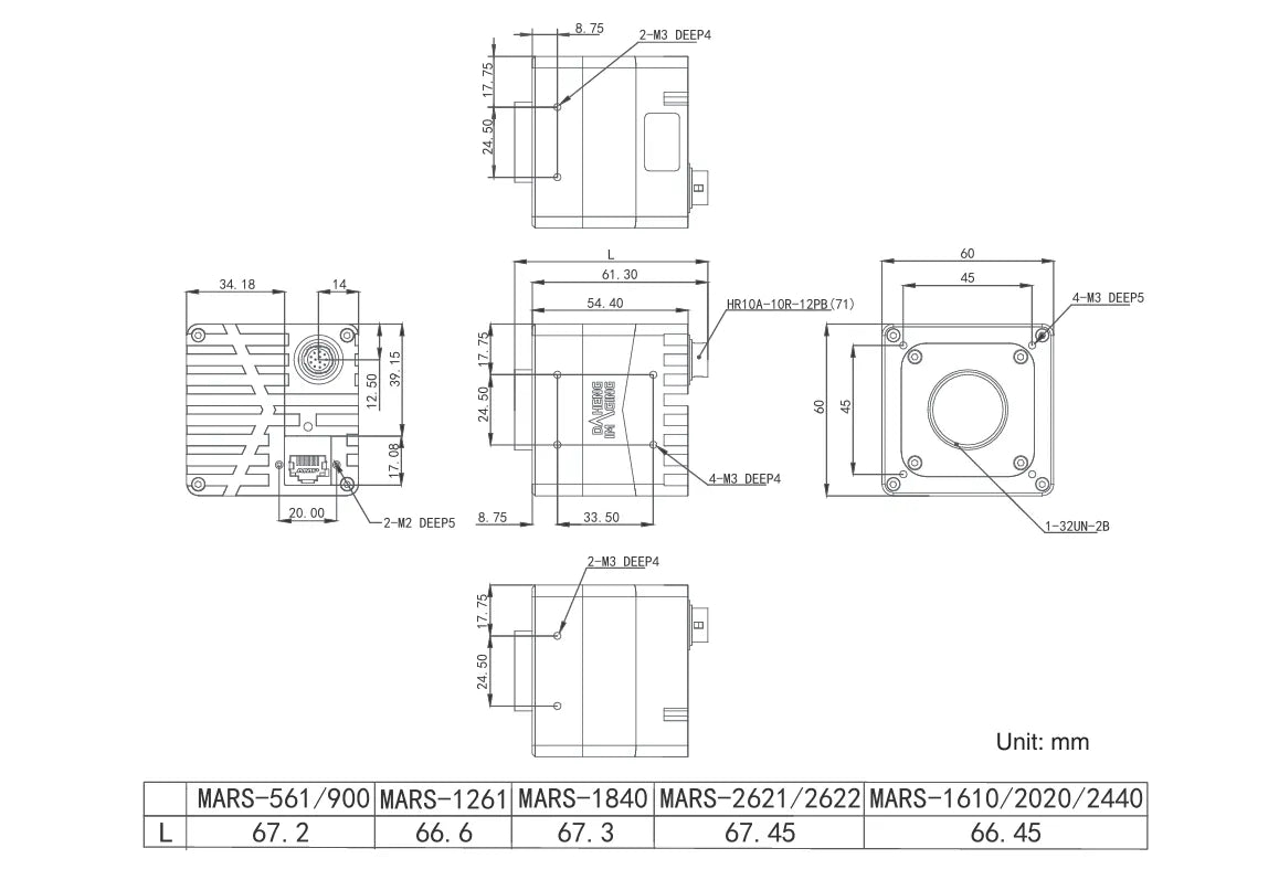
- Las dimensiones son: 60x60x54mm
La cámara requiere un framegrabber 10GigE. Si su ordenador no dispone de un puerto 10GigE, recomendamos este framegrabber VA-PCIe4-10GP-1. Si se requieren más detalles, se puede consultar el manual.
Más informaciónEspecificaciones
| Número de parte | MARS-900-120GTC | 
| Interface | 10GigE Vision | 
| Resolution | 4192x2160 | 
| Frame rate (fps) | 120 | 
| Pixel size (um) | 2.5 | 
| Color/Mono | Color | 
| Sensor type | GMAX2509 | 
| Sensor size | 2/3" | 
| Shutter Type | Global Shutter | 
| Shutter time | 4us~1s | 
| ADC Bit Depth | 12bit | 
¿Tiene alguna pregunta sobre MARS-900-120GTC?
Haga su pregunta a través de
CÁMARA INDUSTRIAL 10GIGE SIN POE
La serie de cámaras 10GigE NO dispone de Power over Ethernet (PoE). Asegúrese de pedir un cable I/O adecuado para cámaras MARS para alimentar la cámara.
CÁMARA INDUSTRIAL EN COLOR
Una cámara industrial en color utiliza un patrón Bayer para producir una imagen en color. El valor RGB de cada píxel se calcula tomando el valor de un píxel, en combinación con todos los valores de los píxeles vecinos. Esto da como resultado imágenes menos nítidas que las de una cámara monocroma.
Debido al filtro RGB en los píxeles, cada píxel individual, considerando luz blanca, capta en promedio un 66% menos de fotones que una cámara monocroma. Esto hace que una cámara en color sea menos sensible a la luz que una monocroma. Para compensar esto, están disponibles las siguientes opciones: 
- Aumentar la cantidad de luz
- Aumentar la ganancia
- Aumentar la velocidad de obturador / tiempo de exposición
- Seleccionar un sensor más sensible a la luz
- Seleccionar un objetivo más sensible a la luz
Las cámaras industriales en color se utilizan en aplicaciones donde la información de color es importante.
MTBF, GARANTÍA Y CICLO DE VIDA DEL PRODUCTO
Cada año, Daheng Imaging produce más de 100.000 cámaras industriales según los más altos estándares de calidad. El tiempo medio entre fallos (MTBF) es superior a 400.000 horas (45 años, 24/7). Las cámaras industriales están certificadas por TÜV Rheinland y cuentan con una garantía de 3 años. Tras la introducción en el mercado, cada modelo de cámara está disponible durante al menos 7 años. La mayoría de las cámaras tienen un ciclo de vida del producto mucho más largo. Para más información sobre nuestra gestión del ciclo de vida del producto, consulte este artículo.
| Número de parte | MARS-900-120GTC | 
| Interface | 10GigE Vision | 
| Resolution | 4192x2160 | 
| Frame rate (fps) | 120 | 
| Pixel size (um) | 2.5 | 
| Color/Mono | Color | 
| Sensor type | GMAX2509 | 
| Sensor size | 2/3" | 
| Shutter Type | Global Shutter | 
| Shutter time | 4us~1s | 
| ADC Bit Depth | 12bit | 
| Pixel bit depth | 8bit, 12bit | 
| Digital Gain | 0dB ~ 16dB | 
| Pixel data format | Bayer GB8 / Bayer GB12 | 
| Synchronization | Hardware trigger, software trigger | 
| I/O | 1 input and 1 output with opto-isolated, 1 bidirectional programmable GPIO | 
| Operating temp. | 0°C~50°C | 
| Operating humidity | 10%~80% | 
| Mount | C | 
| Dimensions | 60x60x54mm | 
| SDK Software | Windows / Linux / Android | 
| Power consumption | < 12.7W @ 24VDC | 
| Weight (g) | 340 | 
| Conformity | CE, RoHS, GigE-Vision, GenICam | 
| Megapixel | 9 | 
| Partnumber old | MARS-900-120GTC | 
| SDK Software | Windows / Linux / Android | 
Reseñas
- 
          8Las cámaras tienen una excelente relación calidad-precio.Las cámaras tienen una excelente relación calidad-precio y los objetivos también. El software está desactualizado y necesita una actualización. Me tomó un tiempo considerable descubrir cómo acceder... Las cámaras tienen una excelente relación calidad-precio y los objetivos también. El software está desactualizado y necesita una actualización. Me tomó un tiempo considerable descubrir cómo acceder a las características de la cámara. 
- 
          10Material de excelente calidad y proveedor atento y confiable.En la fase comercial tuvimos el máximo soporte y se respetaron los plazos de entrega. El material es bastante bueno con costos bajos y competitivos. En la fase comercial tuvimos el máximo soporte y se respetaron los plazos de entrega. El material es bastante bueno con costos bajos y competitivos. 
- 
          10Entrega rápida del cableHabía pedido una cámara pero olvidé incluir el cable requerido. El cable fue pedido y entregado muy rápido. Había pedido una cámara pero olvidé incluir el cable requerido. El cable fue pedido y entregado muy rápido. 
- 
          8Entrega rápidaEntrega rápida incluso sin pagar el extra por envío rápido Entrega rápida incluso sin pagar el extra por envío rápido 
- 
          9¡Entrega rápida y buena calidad!Una muy buena empresa, seguiré cooperando la próxima vez! Una muy buena empresa, seguiré cooperando la próxima vez! 
- 
          10Servicio rápidoServicio extremadamente rápido. Recibí la cámara al día siguiente. ¡Recomiendo mucho al vendedor! ¡Gracias! Servicio extremadamente rápido. Recibí la cámara al día siguiente. ¡Recomiendo mucho al vendedor! ¡Gracias! 
- 
          8.5Buena experienciaExcelente, buena experiencia. Muy atento y rápido en responder. El producto llegó en buenas condiciones. Excelente, buena experiencia. Muy atento y rápido en responder. El producto llegó en buenas condiciones. 
- 
          8Buena calidad y entrega rápida.Hasta ahora, todos los componentes cumplen con las expectativas, aunque sería fantástico si estuvieran disponibles modelos 3D para todos los componentes. Hasta ahora, todos los componentes cumplen con las expectativas, aunque sería fantástico si estuvieran disponibles modelos 3D para todos los componentes. 
- 
          10Gran soporte al cliente, productos y preciosContacté a GeT Cameras para ayudarme a seleccionar la mejor cámara y objetivo para mí. Proporcionaron un gran soporte. Hice el pedido con envío exprés y recibí los productos 2 días después :) Contacté a GeT Cameras para ayudarme a seleccionar la mejor cámara y objetivo para mí. Proporcionaron un gran soporte. Hice el pedido con envío exprés y recibí los productos 2 días después :) 
- 
          9Buenos precios, gran servicio, todo genial.Compré bastantes cámaras de esta empresa, los precios son excelentes, el servicio es excelente y los tiempos de entrega del hardware también son muy buenos. Compré bastantes cámaras de esta empresa, los precios son excelentes, el servicio es excelente y los tiempos de entrega del hardware también son muy buenos. 
- 
          10Grandes productos. Excelente soporte.GeT Cameras en Alemania hizo algunas fotos de nuestros productos para mostrar el rendimiento de sus cámaras y se veían perfectas. Recientemente compramos una cámara con objetivo y luces LED. No ten... GeT Cameras en Alemania hizo algunas fotos de nuestros productos para mostrar el rendimiento de sus cámaras y se veían perfectas. Recientemente compramos una cámara con objetivo y luces LED. No tenemos experiencia con machine vision, pero la instalación funcionó bien. Después de la instalación en nuestro laboratorio, nos sorprendió nuevamente la alta calidad de las fotos y la versatilidad de este sistema. (opciones en Galaxy viewer e integración en Python. Recientemente tuvimos un problema con el software y el soporte al cliente pudo darnos la información relevante para solucionarlo en un día. La próxima vez que necesitemos una cámara no buscaremos a otros proveedores, sino que contactaremos a GeT Cameras de inmediato. 
- 
          10Gran soporte y conocimiento interno de las cámarasPrimero, era un poco escéptico sobre la compra de cámaras industriales en línea. Es una parte crítica para nuestra máquina. Para el desarrollo de un nuevo producto, había mucha presión de precios. ... Primero, era un poco escéptico sobre la compra de cámaras industriales en línea. Es una parte crítica para nuestra máquina. Para el desarrollo de un nuevo producto, había mucha presión de precios. Necesitábamos una cámara barata. Los llamé y Caspar estaba brindando un gran soporte. Incluso me aconsejó una cámara más barata de la que tenía en mente. Me sorprendió el conocimiento interno de get cameras sobre machine vision. Nunca esperé esto de una tienda en línea. La calidad de imagen y construcción de la cámara también es excelente. La cámara se siente y opera igual que nuestras cámaras de Basler. 
- 
          10Gran soporte por correo electrónico"Pedí una cámara USB3 de 20MP incluyendo un objetivo hace 2 meses para una applicación de lectura de códigos datamatrix. Al principio era escéptico debido a los precios bajos, pero el soporte por c... "Pedí una cámara USB3 de 20MP incluyendo un objetivo hace 2 meses para una applicación de lectura de códigos datamatrix. Al principio era escéptico debido a los precios bajos, pero el soporte por correo electrónico fue excelente. Me aconsejaron un objetivo y proporcionaron información técnica adicional. Desafortunadamente, no ofrecen un servicio de préstamo, pero decidí intentarlo. Tuve las cámaras en casa dentro de 2 semanas y la conexión fue fácil. El SDK se parece al SDK de Basler, así que me sentí cómodo con él desde el principio. La cámara y el objetivo fueron una combinación perfecta y ahora puedo leer pequeños códigos DMC en productos grandes con solo una cámara." 
- 
          10Gran soporte al seleccionar una objetivoHemos comprado una cámara de 20MP cámara y un objetivo con tubos de extensión para usarla como un microscopio digital en nuestro laboratorio. El soporte para seleccionar un objetivo fue excelente. ... Hemos comprado una cámara de 20MP cámara y un objetivo con tubos de extensión para usarla como un microscopio digital en nuestro laboratorio. El soporte para seleccionar un objetivo fue excelente. Conectar la cámara USB3 cámara fue fácil. Recibimos todo a tiempo. 
- 
          10Alta calidad¡Componentes y servicio de alta calidad! Mi pedido fue atendido rápidamente y llegó antes de lo previsto. Lo recomendaría. ¡Componentes y servicio de alta calidad! Mi pedido fue atendido rápidamente y llegó antes de lo previsto. Lo recomendaría. 
- 
          10Es importante contar con un equipo de trabajadores calificado y eficiente para obtener la mercancía de manera eficiente.Mantuve una buena relación y muy buena comunicación de principio a fin para comprar el artículo. Mantuve una buena relación y muy buena comunicación de principio a fin para comprar el artículo. 
- 
          9Excelentes productos y servicio al cliente.El personal de servicio al cliente fue amable, fácil de contactar y nos ayudó a seleccionar los productos adecuados que se adaptaban perfectamente a nuestro caso de uso. El personal de servicio al cliente fue amable, fácil de contactar y nos ayudó a seleccionar los productos adecuados que se adaptaban perfectamente a nuestro caso de uso. 
- 
          10Excelentes productos y servicio al cliente.Get Cameras fue muy amable al patrocinarnos con un equipo increíble para nuestro equipo de estudiantes de RoboCup, Delft Mercurians. No tuvimos problemas con las cámaras, funcionan según lo anuncia... Get Cameras fue muy amable al patrocinarnos con un equipo increíble para nuestro equipo de estudiantes de RoboCup, Delft Mercurians. No tuvimos problemas con las cámaras, funcionan según lo anunciado y nos permitieron continuar con el proyecto y la empresa nos apoyó muchísimo en general. El personal de servicio al cliente fue amable, fácil de contactar y nos ayudó a seleccionar los productos adecuados que se ajustaban perfectamente a nuestro caso de uso. 
- 
          8Interacción perfecta con el clienteBuen sitio y perfecta interacción con el cliente. Buen sitio y perfecta interacción con el cliente. 
- 
          10Productos entregados antes de lo prometido.Los productos pedidos se entregaron antes de lo prometido, todos los artículos pedidos se incluyeron en el paquete y no tuvimos problemas para hacerlos funcionar (las cámaras funcionan con el softw... Los productos pedidos se entregaron antes de lo prometido, todos los artículos pedidos se incluyeron en el paquete y no tuvimos problemas para hacerlos funcionar (las cámaras funcionan con el software adjunto y con Matlab). 
- 
          10Soporte profesional, entrega rápida y buen producto.Me gustó que su equipo me ayudó a elegir el equipo necesario según mi descripción. Los artículos que he pedido son exactamente lo que estaba buscando. Me gustó que su equipo me ayudó a elegir el equipo necesario según mi descripción. Los artículos que he pedido son exactamente lo que estaba buscando. 
- 
          10Respuestas rápidas a muchas preguntas.Respuestas rápidas a nuestra gran cantidad de preguntas. Una buena selección de cámaras a pesar de la escasez en otras partes de la industria y hemos podido especificar algunas de estas cámaras par... Respuestas rápidas a nuestra gran cantidad de preguntas. Una buena selección de cámaras a pesar de la escasez en otras partes de la industria y hemos podido especificar algunas de estas cámaras para que los proyectos sigan avanzando. Seguimos comprando regularmente. 
- 
          10Respuestas rápidas y buena selección de cámaras.Respuestas rápidas a nuestra gran cantidad de preguntas. Una buena selección de cámaras a pesar de la escasez en otras partes de la industria y hemos podido especificar algunas de estas cámaras par... Respuestas rápidas a nuestra gran cantidad de preguntas. Una buena selección de cámaras a pesar de la escasez en otras partes de la industria y hemos podido especificar algunas de estas cámaras para que los proyectos sigan avanzando. Seguimos comprando en Get-Cameras con regularidad. 
- 
          10Envío rápido y excelente servicio al cliente.El servicio de atención al cliente es rápido, amable y servicial, el envío se realiza rápidamente y la calidad de las cámaras y accesorios es excelente. También es muy útil el software proporcionad... El servicio de atención al cliente es rápido, amable y servicial, el envío se realiza rápidamente y la calidad de las cámaras y accesorios es excelente. También es muy útil el software proporcionado, que incluye ejemplos de codificación para implementar las cámaras en nuestros sistemas. 
- 
          10Envío rápido y excelente servicio al cliente.El servicio de atención al cliente es rápido, amigable y útil, el envío se realiza rápidamente y la calidad de las cámaras y accesorios es excelente. También es muy útil el software proporcionado,... El servicio de atención al cliente es rápido, amigable y útil, el envío se realiza rápidamente y la calidad de las cámaras y accesorios es excelente. También es muy útil el software proporcionado, que incluye ejemplos de codificación para implementar las cámaras en nuestros sistemas. 
- 
          9Producto adecuado para nosotrosYa tenemos varias de sus cámaras. Estos son sólo para stock. Dado que los tenemos en stock, eso significa que estamos contentos con ellos. Sólo el tiempo de entrega es un poco más largo. Ya tenemos varias de sus cámaras. Estos son sólo para stock. Dado que los tenemos en stock, eso significa que estamos contentos con ellos. Sólo el tiempo de entrega es un poco más largo. 
- 
          10Muy buena relación calidad precioLa cámara llegó a tiempo y ofrece imágenes excelentes. Muy buena relación calidad-precio. El SDK facilita mucho la adquisición de imágenes en un programa propio que escribí usando C++Builder (aprox... La cámara llegó a tiempo y ofrece imágenes excelentes. Muy buena relación calidad-precio. El SDK facilita mucho la adquisición de imágenes en un programa propio que escribí usando C++Builder (aproximadamente 2 horas de programación). 
- 
          10Servicio al cliente muy útilNecesitábamos una visión cámara para nuestro proyecto con mucha urgencia. Ellos pudieron entregarla en pocos días. También respondieron rápidamente a mis correos electrónicos cuando necesité soport... Necesitábamos una visión cámara para nuestro proyecto con mucha urgencia. Ellos pudieron entregarla en pocos días. También respondieron rápidamente a mis correos electrónicos cuando necesité soporte. Me enviaron un artículo sobre cómo instalar rápidamente la cámara y configurar los parámetros más importantes. Fue muy útil y en media hora tuvimos una buena imagen de vista en vivo. También hemos pedido la objetivo que nos recomendaron. Proporciona una imagen bonita y nítida. 
Recursos de Visión y Automatización
- 
          FAQ pageFAQMost common questions are already answered on our FAQ page. Questions about delivery times, warranty, loan, returns, longevity, manuals etc. 
- 
          DiscoverImágenes de ImagenImage processing software captures the images from an industrial camera and performs complex image processing tasks like segmentation, detection, code and text reading. 
- 
          DiscoverCentro de conocimientoWe share our machine vision knowledge in our knowledge center. Find tutorials how to connect cameras, install software & program I/O. 
- 
          DiscoverMachine Vision AplicacionesCheck how our customers use our industrial cameras, lenses and lighting in their application 
- 
          Talk to usMachine Vision ExpertosAsk our machine vision experts! We answer rapidly and think along with your imaging project. 
- 
          DiscoverDescargasImage processing software captures the images from an industrial camera and performs complex image processing tasks like segmentation, detection, code and text reading. 
 
      
         
 
 
 
 
 
 
 
 
 
 
 
                 
 
 
 
 
 
 
 
 
 
 
 
                 
 
 
 
 
                 
 
 
 
 
 
                 
 
 
 
 
 
 
 
 
 
 
 
 
 
 
 
 
 
 
 
 
 
 
 
 
 
 
 
 
 
